EN593 Bronze Disc Double Flange Butterfly Valve With Worm ActuatorTECHNICAL REQUIREMENT : Design and Manufacture Conform to EN593
Flange dimensions Conform to EN1092-2
Face to Face dimensions Conform to EN558
Testing Conform to EN12266-1
Driving mode: lever, worm actuator, electric, pheumatic
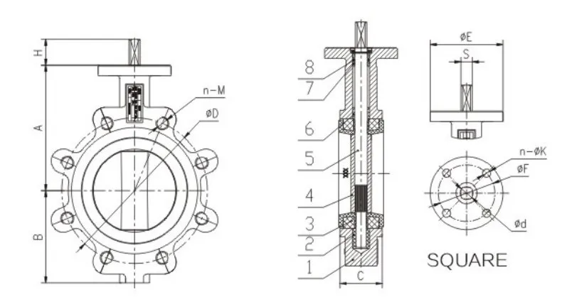
Description
1.size:DN40-DN600;2''-24''
2.Medium:water
3.Standard:EN593/AWWA C504/MSS SP-67
4.Pressure:CLASS 125-300/PN10-25/200-300PSI
5.Material:CI,DI
6.Type:wafer type,lug type,double flange type,U type,groove-end
| NO. | Part Name | Material | Optional Material |  |
| 1 | Body | DI | CI, WCB, Stainless Steel |
| 2 | Down Bearing | F4 | Bronze |
| 3 | Seat | NBR | EPDM, FKM |
| 4 | Disc | Plated Ductile Iron | ASTM A351 CF8/CF8M, B148 C954/C958 |
| 5 | Shaft | ASTM A276 416 | 316, 17-4PH |
| 6 | Middle Bearing | F4 | Bronze |
| 7 | Upper Bearing | F4 | Bronze |
| 8 | O Ring | NBR | EPDM, FKM |
Dimensions data(mm)
| DN | A | B | C | H | ΦE | ΦF | N-ΦK | Φd | G | EN1092-2 PN10 | EN1092-2 PN16 | ANSI CLASS 125 |
| ΦD | n-Φd1 | n-M | ΦD | n-Φd1 | n-M | ΦD | n-Φd1 | n-M |
| DN40 | 120 (140) | 75 | 33 | 32 | 90 | 50 | 4-Φ7 | 12.6 | 9.5 | 110 | 4-Φ19 | 4-M16 | 110 | 4-Φ19 | 4-M16 | 98.5 | 4-Φ16 | 4-1/2" |
| DN50 | 124 (161) | 80 | 43 | 32 | 90 | 50 | 4-Φ7 | 12.6 | 9.5 | 125 | 4-Φ19 | 4-M16 | 125 | 4-Φ19 | 4-M16 | 120.5 | 4-Φ19 | 4-5/8" |
| DN65 | 134 (175) | 89 | 46 | 32 | 90 | 50 | 4-Φ7 | 12.6 | 9.5 | 145 | 4-Φ19 | 4-M16 | 145 | 4-Φ19 | 4-M16 | 139.5 | 4-Φ19 | 4-5/8" |
| DN80 | 141 (181) | 95 | 46 | 32 | 90 | 50 | 4-Φ7 | 12.6 | 9.5 | 160 | 8-Φ19 | 8-M16 | 160 | 8-Φ19 | 8-M16 | 152.5 | 4-Φ19 | 4-5/8" |
| DN100 | 156 (200) | 114 | 52 | 32 | 90 | 70 | 4-Φ10 | 15.8 | 11.1 | 180 | 8-Φ19 | 8-M16 | 180 | 8-Φ19 | 8-M16 | 190.5 | 8-Φ19 | 8-5/8" |
| DN125 | 168 (213) | 127 | 56 | 32 | 90 | 70 | 4-Φ10 | 18.92 | 12.7 | 210 | 8-Φ19 | 8-M16 | 210 | 8-Φ19 | 8-M16 | 216 | 8-Φ22 | 8-3/4" |
| DN150 | 184 (226) | 140 | 56 | 32 | 90 | 70 | 4-Φ10 | 18.92 | 12.7 | 240 | 8-Φ23 | 8-M20 | 240 | 8-Φ23 | 8-M20 | 241.5 | 8-Φ22 | 8-3/4" |
| DN200 | 213 (260) | 175 | 60 | 45 | 125 | 102 | 4-Φ12 | 22.1 | 15.9 | 295 | 8-Φ23 | 8-M20 | 295 | 12-Φ23 | 12-M20 | 298.5 | 8-Φ22 | 8-3/4" |
| DN250 | 244 (292) | 220 | 68 | 45 | 125 | 102 | 4-Φ12 | 28.45 | 22 | 350 | 12-Φ23 | 12-M20 | 355 | 12-Φ28 | 12-M24 | 362 | 12-Φ25 | 12-7/8" |
| DN300 | 283 (337) | 255 | 78 | 45 | 150 | 125 | 4-Φ14 | 31.6 | 24 | 400 | 12-Φ23 | 12-M20 | 410 | 12-Φ28 | 12-M24 | 432 | 12-Φ25 | 12-7/8" |
| DN350 | 368 | 267 | 78 | 45 | 150 | 125 | 4-Φ14 | 31.6 | 24 | 460 | 16-Φ23 | 16-M20 | 470 | 16-Φ28 | 16-M24 | 476 | 12-Φ29 | 12-1" |
| DN400 | 400 | 323 | 102 | 50 | 150 | 125 | 4-Φ14 | 33.15 | 27 | 515 | 16-Φ28 | 16-M24 | 525 | 16-Φ31 | 16-M27 | 539.5 | 16-Φ29 | 16-1" |
| DN450 | 422 | 342 | 114 | 50 | 210 | 140 | 4-Φ18 | 37.95 | 27 | 565 | 20-Φ28 | 20-M24 | 585 | 20-Φ31 | 20-M27 | 578 | 16-Φ32 | 16-1 1/8" |
| DN500 | 479 | 373 | 127 | 60 | 210 | 140 | 4-Φ18 | 41.12 | 32 | 620 | 20-Φ28 | 20-M24 | 650 | 20-Φ34 | 20-M31 | 635 | 20-Φ32 | 20-1 1/8" |
| DN600 | 562 | 467 | 154 | 70 | 210 | 165 | 4-Φ22 | 50.62 | 36 | 725 | 20-Φ31 | 20-M27 | 770 | 20-Φ37 | 20-M33 | 749.5 | 20-Φ35 | 20-1 1/4" |
More products
Company ProfileQingdao I- Flow Co., Ltd., established in 2010,located in the beautiful city of Qingdao,China . Our products include marine valve,butterfly valve, balancing valve, gate valve, globe valve, knife gate valve,check valve , ball valve. in cast iron,brass, bronze, polypropylene etc, to be applied in water treatment, HVAC, marine, oil and gas etc.
IFLOW owns research and development team, and is managed strictly under the rules of ISO 9001 quality control system , we have supplied flow control products for international clients for more than 10 years and are selling to more than 40 countries, such as USA, Germany, Italy, Holland, Sweden, Norway, Singapore, U.K, U.A.E, Australia, Brazil, Peru etc.. Our products are used in Shangrila Hotel, Kerry Center, Milan Expo, MSC vessels etc, In addition, we and associated company have obtained CE, WRAS, DNV,GL,LR, ABS certificates.
Our Mission: Good valve with caring service.
We greatly appreciate your time and look forward to serving you in the near future!




FAQ1.Can I have a sample order for valve?A: Definitely Yes.We welcome sample order to test and check quality. Mixed samples are acceptable. 2. Can you OEM or ODM?A:Yes, we have a great research & development team. The products can be made according to your request.3. Can you provide the relevant documentation and certificate?A:Yes, we can provide you with the documentation and certificate you need ,IS09001:2000 international quality system certification,(CE)certification of the European Community, Det Norske Veritas (DNV) factory certification, Lloyd's Register (LR) factory certification, China Classification Society (CCS) quality system certification and the FM and UL certification of the US, Bureau Veritas(BV) ,American Bureau of Shipping(ABS) etc.Of course we can also provide you the test Report; Certificate of Material Analysis; Certificate of Origin; and other export documents which required.4.Can you do the design for us?A:yes.Please send us high resolutionimages,your logo and other materials needed . We will send you finished files for confirmation.5.How to proceed an order for valve?A: Step1 let me know your requirements or application. Step 2 We quote according to your requirements or our suggestions. Step 3 Customer confirms the samples and places deposit for formal order. Step 4 We arrange the prodution.6.What is your terms of delivery?A: We accepte EXW,FOB,CIF,etc. You can choose the one which is the most convenient for you.7.What's the package and how do you ship the goods?A: Usually is wood pallet as your requst. We usually ship by sea.Airline shipping is also optional.8. How to deal with after sales ?A: warranty time : 12 months from the shipment ; and we will be responsible for all the quality problems. Quality control : High quality mold./Raw materials control/Production process quality control/Final inspection/Water testing (no leaking).9. What is the average lead time?
A:For samples, the delivery time is about 2-5 days. For mass production, the lead time is about 15-60 days after receiving the deposit payment. we can provide production schedule and related photos every two weeks. The lead times become effective when (1) we have received your deposit, and (2) we have your final approval for your products.If our lead times do not work with your deadline, please go over your requirements with your sale. In all cases we will try to accommodate our production plan to your needs.
10. Why choose us?A:1 Genuine produces with excellent quality and competitive price. 2 Cooperating with the customers all over the world more than 60 countries and regions, and knowing the markets very well. 3.We have been specializing in flow control area for more than 10 years. Everyone can be rest assured working with us. 4 After-Services will be highly-satisfing. Any problems and feedbacks will be answered in a short of time.
11: How can I trust you and your company?A: We are a verified supplier and creditable company on alibaba, we are focusing on the long term relationship with customers, we have worked with thousands of customers since company built 10 years ago, Including Fortune 500 companies. customers always make highly complimentary remarks.