DN300 Cast Iron Wafer Electric Butterfly Valve With Gear Drive MechanismProduct DescriptionElectric double eccentric butterfly valves have the structure of 3D eccentric metal sealed, whose seal mode is metal-to-metal, also can be changed into the other seal modes such as the metal seal ring to the m......

| Body ratings | PN1.0/PN1.6Mpa/PN2.5Mpa |
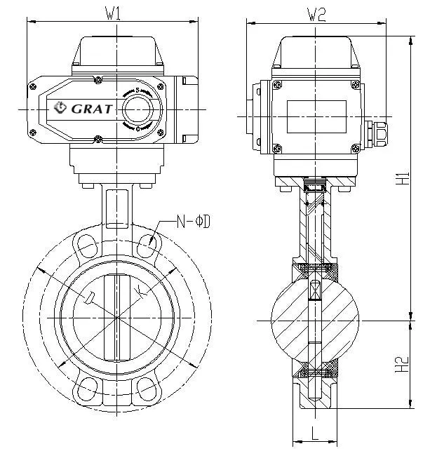
| Valve size | DN50-DN1200 |
| Seal material | Alloy metal seal |
| Stem seal | NBR, HNBR, PTFE, GRAPHITE |
| Body material | WCB/SUS304/SUS316L/CF8/CF8L Stainless Steel |
| Disc material | WCB/SUS304/SUS316L/CF8/CF8L Stainless Steel |
| Body connections | Wafer/flange |
| Power supply | AC220V |
| Control signal | 4~20mA 0~5V |
| Output signal | 4~20mA 0~5V |
| Operating pressure | PN1.6Mpa, PN2.5Mpa |
| Medium temperature | Below 540 Celesius degree |

Item | Part name | Material |
1 | Body | Carbon steel,CF8 Stainless steel,CF8M Stainless steel,CF3M Stainless steel |
2 | Disc | Carbon steel,CF8 Stainless steel,Cram Stainless steel,CF3M Stainless steel |
3 | Rotatable shaft | 2Cr13,304 Stainless steel,316 Stainless steel,316L Stainless steel |
4 | Disc seal ring | all kinds of stainless steel composite |
5 | Shaft sleeve | ZCuZn38Mn2Pb2,stainless steel composite, PTFE |
6 | Packing | Grafoil |

| Model | Circuit | Model | Circuit |
| S | ON/OFF,no output signal | CPT | ON/OFF,output 4~20mA signal |
| MS | ON/OFF,output passive contact signal | PCU | Regulation,output 4~20mA signal |



UL/FM Wafer Type 300psi Butterfly Valve with Tamper Switch
Salvador FRPP Butterfly Valve with Gear Type
UL/FM Grooved Type 300psi Butterfly Valve with Tamper Switch
UL/FM Wafer Type 300psi Butterfly Valve with Tamper Switch
Stainless Steel SS316L Sanitary Butterfly Valves
Sanitary Stainless Steel SS304/ SS316L Manual & Pneumatic Buttterfly Valve&Pipe Fitting