Stainless Steel Ball Valve Manufacturer
SS Stainless Steel 3 Piece High Mounting Pad Ball Valve
Leadtek is one of the professional manufacturers of stainless steel products with our own casting foundry. Piece Ball Valves named according to Valve structure. For 3 Piece Stainless Steel Ball Valve is Three piece construction(One Body with Two Caps), and Ball Valve is connected with 4 or more bolts and nuts. Our Stainless Steel 3 Piece Ball Valve with Many different connections, such as Screwed Thread (BSPT, BSPP, NPT) Ball Valve, Butt-Welded(BW) Ball Valve, Socket-Welded(SW) Ball Valve, Clamp Ends Ball Valve, Long Butt-Welded Ball Valve, Flange Ends Ball Valve, etc
Below is 3 Piece Ball Valve datasheet 
Material Parts
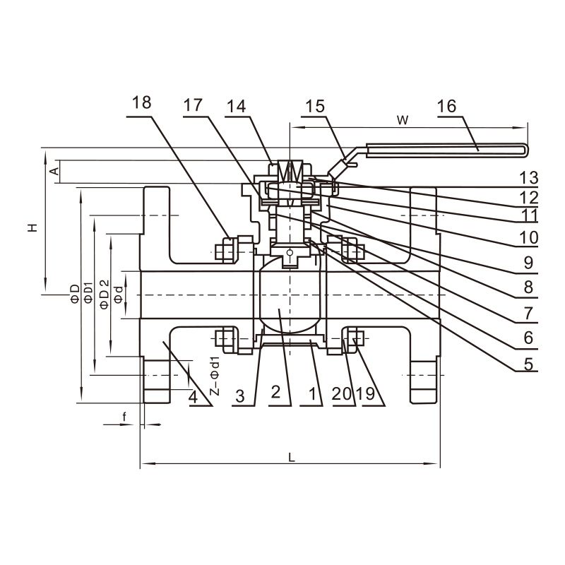
| NO | Parts Name | Material |
| 1 | Body | CF8/CF8M |
| 2 | Ball | SS304 |
| 3 | Ball Seat | PTFE/RPTFE |
| 4 | Cap | CF8/CF8M |
| 5 | Thrust Washer | PTFE |
| 6 | Body Gasket | PTFE |
| 7 | O-Ring | Viton |
| 8 | Stem Packing | PTFE |
| 9 | Gland | SS304/SS316 |
| 10 | Tab Washer | SS304 |
| 11 | Stopper | SS304 |
| 12 | Spring Washer | SS304 |
| 13 | Stem | SS304/SS316 |
| 14 | Nut | SS304 |
| 15 | Handle | SS201/SS304 |
| 16 | Handle Cover | Plastic |
| 17 | Washer | SS304 |
| 18 | Bolt | SS304 |
| 19 | Nut | SS304 |
| 20 | Spring Washer | SS304 |
Main Size Unit: mm
| Size | L | D2 | D1 | D | C | f | z-d1 | H | W | ISO5211 |
| 1/2" | 130 | 45 | 65 | 95 | 14 | 2 | 4-14 | 84 | 146 | F03-F04 |
| 3/4" | 150 | 58 | 75 | 105 | 14 | 2 | 4-14 | 87 | 146 | F03-F04 |
| 1" | 160 | 68 | 85 | 115 | 14 | 2 | 4-14 | 93 | 153 | F04-F05 |
| 1-1/4" | 180 | 78 | 100 | 140 | 16 | 2 | 4-18 | 99 | 153 | F04-F05 |
| 1-1/2" | 200 | 88 | 110 | 150 | 16 | 3 | 4-18 | 114 | 217 | F05-F07 |
| 2" | 230 | 102 | 125 | 165 | 16 | 3 | 4-18 | 122 | 217 | F05-F07 |
| 2-1/2" | 290 | 122 | 145 | 185 | 18 | 3 | 4-18 | 150 | 251 | F07-F10 |
| 3" | 310 | 138 | 160 | 200 | 20 | 3 | 8-18 | 161 | 251 | F07-F10 |
| 4" | 350 | 158 | 180 | 220 | 20 | 3 | 8-18 | 180 | 291 | F07-F10 |
| Main Material | CF8/CF8M,SS304,SS316 | Body/Ball/Stem | CF8/CF8M,SS304/SS316 | | Spring Washer, Bolts & Nuts | SS304 | | Seat | PTFE/RPTFE |
|
| Thread Standard | DIN 3202-F1 |
| Max Pressure | 1000PSI |
| Media | Water, Oil, Gas |
| Stem Design | Blow- Out Proof Stem |
| Max Pressure | PN16 |
| Bore | Full Bore |
| Operation | Manual(Lever Handle) |
| Packing | Cartons & Pallet or Cartons & Plywood Cases |
| Delivery Time | 30-45days, depend on your quantities |
| Casting | Investment Casting Foundry - Wax Lost Technology |
| Sales | Casting Parts & Finished Products |
| Square | 6600 M2 |
| CNC Machine | From Now 64 Sets (Still updating) |



Our Advantage: 1) Own Casting Foundry( Investment Lost - Wax Casting) - Heavy Strictly control of our production line, starting from casting wax.
- Provide new products development
- Shorter & Fast Delivery time
2) Experienced workers & sales team to save your money and time. - Wenzhou New Office -2019.6
3) Free Sample Available