JIS F 7305 Cast iron 5K globe valves

Standard: JIS F7301,7302,7303,7304,7351,7352,7409,7410
Pressure:5K,10K,16K
Size:DN15-DN300
Material:cast iron,cast steel,forged steel,brass,bronze
Type:globe valve,angle valve,
Media: Water,Oil,Steam
Description
| DESIGN STANDARD | JIS F 7305-1996 |
| TEST | JIS F 7400-1996 |
| HYDRAULTC INSPECTION |
| TEST PRESSURE/MPA | BODY | 300 OR LESS | 1.05 |
| 350 | 0.9 |
| SEAT | 300 OR LESS | 0.77 |
| 350 | 0.66 |
Specification
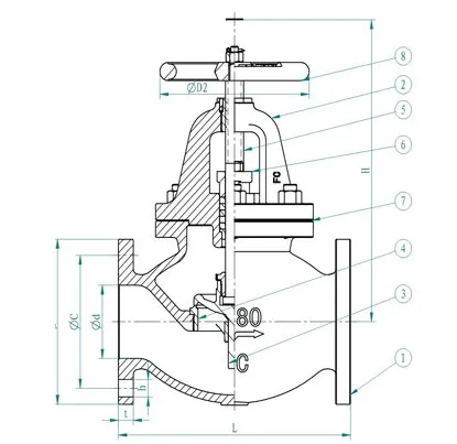
| 8 | HANDWHEEL | FC200 |  |
| 7 | GASKET | |
| 6 | PACKING GLAND | BC6 |
| 5 | STEM | C3771BD OR BESUS 403 |
| 4 | VALVE SEAT | BC6 | SCS2 |
| 3 | DISC | BC6 | SCS2 |
| 2 | BONNET | FC200 |
| 1 | BODY | FC200 |
| NO. | NAME OF PART | CLASS B | CLASS S |
| MATERIAL |
| CAST IRON 5K GLOBE VALVES |
Dimensions data(mm)
| DN | D | L | D | C | NO. | H | T | H | D2 |
| 50 | 50 | 210 | 130 | 105 | 4 | 15 | 16 | 270 | 160 |
| 65 | 65 | 250 | 155 | 130 | 4 | 15 | 18 | 300 | 180 |
| 80 | 80 | 280 | 180 | 145 | 4 | 19 | 18 | 310 | 180 |
| 100 | 100 | 340 | 200 | 165 | 8 | 19 | 20 | 360 | 224 |
| 125 | 125 | 410 | 235 | 200 | 8 | 19 | 20 | 390 | 250 |
| 150 | 150 | 480 | 265 | 230 | 8 | 19 | 22 | 445 | 280 |
| 200 | 200 | 570 | 320 | 280 | 12 | 23 | 24 | 530 | 315 |
| 250 | 250 | 740 | 385 | 345 | 12 | 23 | 26 | 650 | 355 |
| 300 | 300 | 840 | 430 | 390 | 12 | 23 | 28 | 740 | 400 |
| 350 | 335 | 940 | 480 | 435 | 12 | 23 | 30 | 840 | 500 |
COMPANY PROFILE
Qingdao I- Flow Co., Ltd., established in 2010,located in the beautiful city of Qingdao ,China .Our extensive product portfolio includes a full range of valves from leading manufacturers and fabricated to DIN,JIS,ANSI standards marine valve, Body includes steel, cast iron, bronze, stainless steel, aluminum and alloy steel. This variety of materials allows us to support you on any enquiry.
I-FLOW owns research and development team, and is managed strictly under the rules of ISO 9001 quality control system , we have supplied marine valves for more than 10 years and are selling to more than 30 countries, such as USA, Germany, Holland, Sweden, Singapore, Norway, United Kingdom, U.A.E., Australia, Brazil, Peru etc, Our valves are widely used in MSC, COSCO,PETRO BRAS etc. We and associated company have obtained LR, DNV- GL, ABS,BV,RINA,CCS,NK certificates.
Our Mission: Good valve with caring service.
What we can do for you? How can we do better?
We greatly appreciate your time and look forward to serving you in the near future!





Packing & Delivery
Packing Details : all by seaworthy plywood case and packed strongly by packing belt as below
Delivery Details : Generally it is 5-10 days if the goods are in stock. or15-30 days if the goods are OEM or not enough subject to the order quantity. But anyway, normally, we are able to make sure the delivery will not exceed 45days.


FAQ
1.Can I have a sample order for valve?
A: Definitely Yes. We welcome your sample order for test and quality check. Mixed samples are acceptable.
2. Can you provide OEM or ODM service?
A: Yes, we have professional research & development team. The products can be manufactured as per your request.
3. Can you provide the relevant documentation and certificate?
A:Yes, we can provide you with the documentation and certificate you need , ISO9001:2000 international quality system certification, (CE)certification of the European Community, Det Norske Veritas (DNV) factory certificate, Lloyd's Register (LR) factory certificate, China Classification Society (CCS) quality system certificate and the FM/UL certification of the US, Bureau Veritas(BV) ,American Bureau of Shipping(ABS) etc. Of course we can also provide you the test Report; Certificate of Material Analysis; Certificate of Origin; and other export documents if required.
4. What is your terms of delivery?
A: We accept EXW, FOB, CIF, DAP etc. You can choose the one which is the most convenient for you.
5. What's the package and how do you ship the goods?
A: Usually sea worthy plywood cases. We usually ship by sea. Train and air delivery are also optional.
6. How to deal with after sales ?
A: warranty time : 12 months from the shipment ; and we will be responsible for all the quality problems. Longer warranty period could be provided with detailed request and discussion.
7. What is the average lead time?
A:For samples, the delivery time is about 2-5 days. For batch production, the lead time is about 15-60 days after receiving the deposit payment. We can provide production schedule and related photos every two weeks. The lead times become effective when (1) we have received your deposit, and (2) we have your final approval for production drawings. If our lead times do not work with your deadline, please send your requirements with your sale. In all cases we will try to accommodate our production plan to your needs.
8. Why choose us?
A:1 Genuine products with excellent quality and competitive price.
2,Cooperating with customers all over the world from more than 60 countries and regions, knowing the markets very well.
3,We have been specializing in flow control area for more than 15 years. Everyone can be rest assured working with us. 4,After-sale services will be highly-satisfying. Any problem and feed backs will be answered in short time.
9: How can I trust your company?
A: We are verified Golden supplier and creditable company on Made-In-China, we are focusing on the long term relationship with customers, we have worked with thousands of customers since company built 15 years ago, Including Fortune 500 companies. Customers always make highly complementary remarks.